
机器人应用实训项目
一、 概述
1. 项目概述
本项目拟用以联轴器的生产为目标,以机器人为主,辅以锯床、车床、加工中心、机械手等辅助设备组建全自动化教学用生产线。主要展示桁架机器人、六关节机器人以及码垛机器人和机器人在机床上下料、工件去毛刺、物料码垛等领域的实际应用;配合全自动上料机构、输送线、机器人第七轴、上下料抓手、专用夹具、去毛刺设备、视觉、安全围栏等外围设备及辅助功能,完美诠释机器在工业自动化领域的应用,呈现一个综合性、全领域化的机器人应用教学用生产线。
2. 产品信息
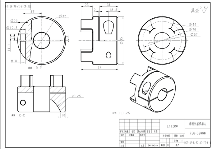
联轴器图纸如下:(可能会调整)
以此联轴器从来料-毛坯-加工-去毛刺-装箱的生产工艺为全自动化生产线的完成目标。
3. 项目的目的和意义
1) 项目的目的:
教学生全面认识桁架机器人、六关节机器人、码垛机器人。
教学生全面掌握机器人在机床上下料、工件去毛刺、码垛领域的实际应用。
教学生学习锯床自动上料机构、输送线、机器人第七轴、上下料抓手、专用夹具、去毛刺设备、视觉、安全围栏等外围设备及辅助功能与机器人的协同化工作。
教学生全面掌握桁架机器人、六关节机器人、码垛机器人安装、编程、调试及维护工作。
教学生学习和掌握机器人外围设备及辅助功能的编程、调试和维护工作。
2) 项目的意义:
通过以联轴器的生产为目标,以机器人为主,辅以锯床、车床、加工中心、机械手等辅助设备组建全自动化教学用生产线;
展示桁架机器人、六关节机器人以及码垛机器人和机器人在机床上下料、工件去毛刺、物料码垛等领域的实际应用;
配合全自动上料机构、输送线、机器人第七轴、上下料抓手、专用夹具、去毛刺设备、视觉、安全围栏等外围设备及辅助功能,完美诠释机器在工业自动化领域的应用,呈现一个综合性、全领域化的机器人应用教学用生产线;
提供一个可供实际学习和操作的自动化生产线平台,提高学生的动手操作能力,为学生进入机器人应用相关行业做好技术铺垫。
4. 主要设备布置图及配置清单
1) 三维布局图:

2) 主要设备清单

主要设备清单
注:如以上配置发生变动,须有双方确认的书面文件。
二、 系统功能及设备功能简述
此系统是以联轴器的生产为目标,以机器人为主,辅以锯床、车床、加工中心、机械手等辅助设备组建全自动化教学用生产线。主要展示桁架机器人、六关节机器人以及码垛机器人和机器人在机床上下料、工件去毛刺、物料码垛等领域的实际应用;配合全自动上料机构、输送线、机器人第七轴、上下料抓手、专用夹具、去毛刺设备、视觉、安全围栏等外围设备及辅助功能,完美诠释机器在工业自动化领域的应用,呈现一个综合性、全领域化的机器人应用教学用生产线。
1. 原材料自动上料系统
此设备包含原材料上料机构、和锯床自动上料机构。
原材料上料机构的功能是将成排麻烦的棒料分拣到锯床自动上料机构上。
锯床自动上料机构的功能是将单一的棒料送到锯床切断工位,按联轴器毛坯长度送料,从而完成联轴器的毛坯制作。
工作方式为,人工将原料棒料按一定规律码放,原料上料机构自动分拣到锯床上料机构,锯床上料机构自动完成锯床的上料和送料工作。结构示意图如下:

2. 锯床
锯床的主要功能是将原材料切割成联轴器加工所需的毛坯。具体形式和参数如下:

3. 输送线
输送线的功能是将锯床的切好的毛坯件按一定规律输送到桁架机器人的抓取范围内。
其主要由机架、减速电机、输送带、导向装置、定位夹紧装置构成。

4. 桁架机器人
桁架机器人的主要功能是抓取毛坯和对两台数控车床上下料。
其主要由机架、X轴、Y轴、Z轴、上下料机械手构成。其示意图如下:

5. 数控车床和加工中心
二者主要完成联轴器的机械加工功能。
由于此设备为甲方提供,在此不做过多介绍。
数控车床及加工中心除现有加工和设备配套能力外,还需辅以专用机加工夹紧完成联轴器的加工工作。
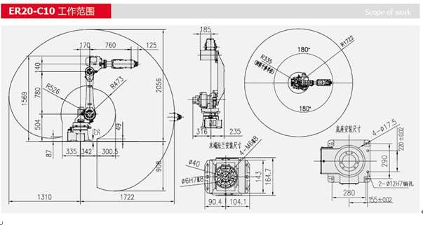
6. 六轴关节机器人
本系统选用efort六轴工业机器人,荷重20kg,工作半径R1722mm,包括机器人本体、机器人控制柜、示教盒及供电电缆等。
机器人主要实现数控车床和加工中心的上下料以及配合去毛刺设备去除联轴器加工后的毛刺,并完成成品的装箱工作。
ER20-C10工业机器人结构紧凑,运动速度快,具有较高的重复定位精度和轨迹跟踪精度,采用总线架构,扩展应用方便,适用于机床上下料、激光切割、打磨等行业。



7. 机器人第七轴
机器人七轴为机器行走机构,实现不同机床之间的上下料。此机构采用伺服电机驱动,齿轮齿条传动,直线导轨导向,底座采用型钢焊接,分段制造、整体组装。具体结构见下图。
8. 去毛刺设备
主要功能是打磨并去除机械加工后留在联轴器上的毛刺。
其主要由机架、电机、打磨带、传动机构、视觉。通过视觉较正联轴器位置,然后对联轴器进行打磨。参考图片如下。

9. 码垛系统
码垛系统由码垛机器人、码垛输送线、垛料、码垛空箱等组成。主要功能是将单个的联轴器装箱,并按一定规律码放到垛盘上,以方便叉车等转运设备的运输。
1) 码垛机器人
ER130-C204型四轴码垛机器人末端负载能力为130kg,重复定位精度达到±0.4mm,具有高速码垛搬运功能,高速,稳定,适用于码垛、拆垛等场合。


2) 码垛输送线
码垛输送线的功能是将整箱的联轴器输送到输送线的另外一端,主要展示码垛机器人的垛料来料方式基本为输送线输送。其主要由机架、减速电机、输送滚筒、导向装置、阻挡装置、定位构成等构成。具体示意图如下:

码垛系统的工作流程简述如下:
第一步:抓取码垛空箱到固定位置。
第二步:六关节机器人将打磨完成的联轴器装入空箱。
第三步:码垛机器人将装满联轴器的箱子抓取放到码垛输送线上。(主要展示码垛机器人的垛料全部是由输送线输送而来的)
第四步:码垛机器人在码垛输送线的末端抓取垛料,然后按码垛程序规则的放到垛盘上。
10. 防护围栏
将所有运动设计布置于围栏内,可以为工人及其他相关人员提供一个安全可靠的工作环境。围栏布置有检修和人工上料门,布置必要的检测开关,并与整套控制系统联动(当然,为了学生参观实习的实际需求,也可以不做联动,仅仅做展示用),在设备正常工作时,假如有人员闯入,将立即停止所有设备的运转,确保人员安全。围栏布置件下图:

三、 工艺过程简述
1. 联轴器加工流程图
2. 设备动作流程
第一步:人工将原料成排放置于自动上料机构。
第二步:自动上料机构将成排放置原料的下面一根送入自动送料机。
第三步:自动送料机将原料送入锯床,并按毛坯件的长度给锯床送料,锯床每切一个毛坯,自动送料机都将送料一次。
第四步:锯床同送料机构一起完成毛坯件的下料。
第五步:输送机在锯床处理口接料,并将毛坯输送到其上的毛坯定位机构上,等待桁架机器人的抓取。
第六步:桁架机器人抓取位于输送机上的毛坯,然后搬运到数控车床1,并将完成对数控车床1的上料。
第七步:数控车床1完成对毛坯件的设定工序的自动加工。
第八步:桁架机器人完成对数控车床1的取料工作,然后将工件搬运到数控车床2,并完成对数控车床2的上料工作。
第九步:数控车床2完成对联轴器设定工序的加工。
第十步:六关节机器人同第七轴协同工作完成对数控车床2的取料工作,然后将工件搬运到加工中心,并完成对加工中心夹具1的上料。
第十一步:加工中心完成对联轴器在夹具1上设定工序的加工。
第十二不:六关节机器人同第七轴协同工作完成对加工中心夹具1的取料工作,然后将工件搬运到加工中心夹具2,并完成对加工中心夹具2的上料。
第十三步:加工中心完成对联轴器在夹具2上设定工序的加工。
第十四步:六关节机器人同第七轴协同工作完成对加工中心夹具2的取料工作,然后将工件搬运至去毛刺设备。
第十五步:六关节机器人同第七轴协同工作,通过视觉完成对联轴的姿态调整,然后六关节机器人、第七轴和去毛刺设备联动完成对联轴器加工后毛刺的打磨去除工作。
第十六步:码垛机器人抓取联轴器料箱到码垛输送线固定位置。
第十七步:六关节机器人同第七轴协同工作,将去完毛刺的联轴器搬运到码垛输送线,并完成对联轴的装箱工作。
第十八步:码垛机器人将装满联轴器的料箱抓取放到码垛输送线上。(主要展示码垛机器人的垛料全部是由输送线输送而来的)
第十九步:码垛输送线将联轴器料箱输送到其末端等待码垛机器人的抓取。
第二十步:码垛机器人在码垛输送线上抓取联轴器料箱,然后按码垛程序规则的放到垛盘上。
第二十一步:人工操作叉车将码满联轴料箱的垛盘转运出生产线。然后将空垛盘放到原来位置。
四、 环境条件

川公网安备51012202001782